Turnkey Project Installations including Renewable Energy
Our local specialist design, engineering and project management expertise combined with local and global partnerships put Uneek Energy Solutions at the forefront of Australia’s energy from waste generation future.
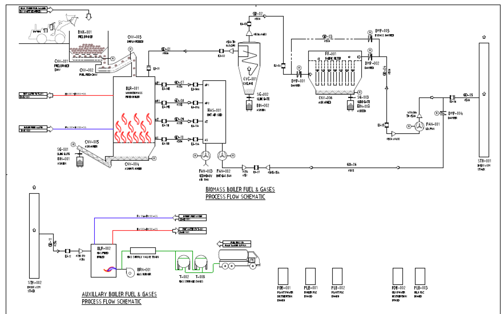
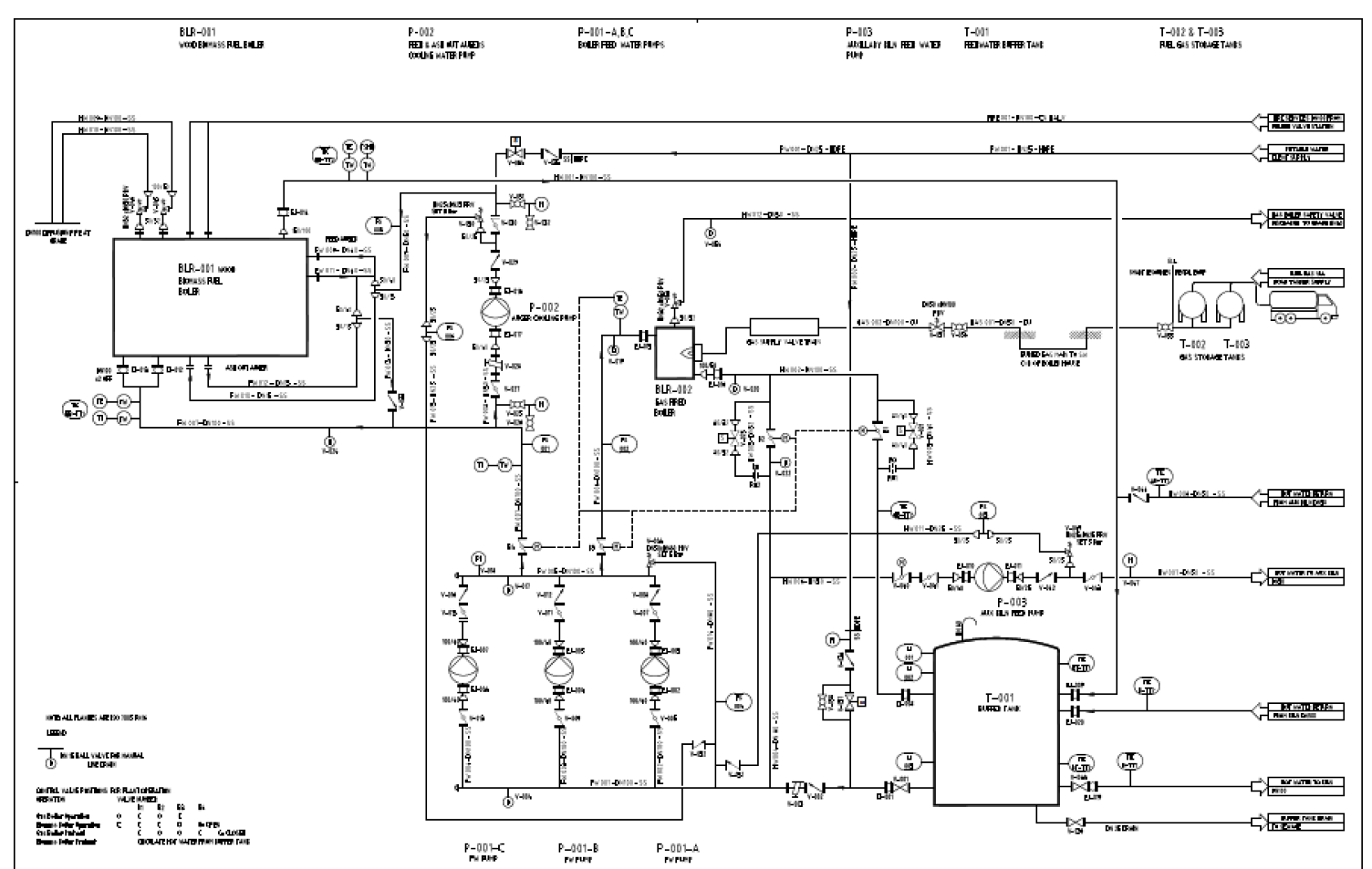
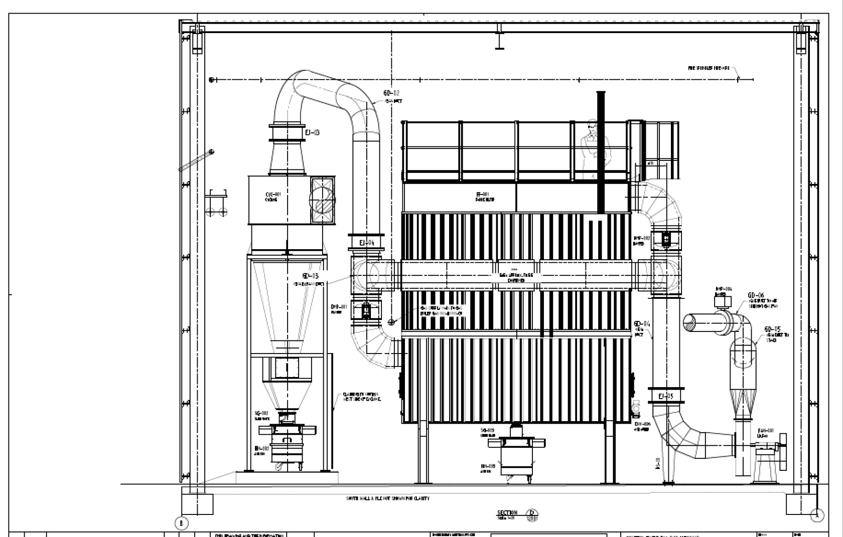
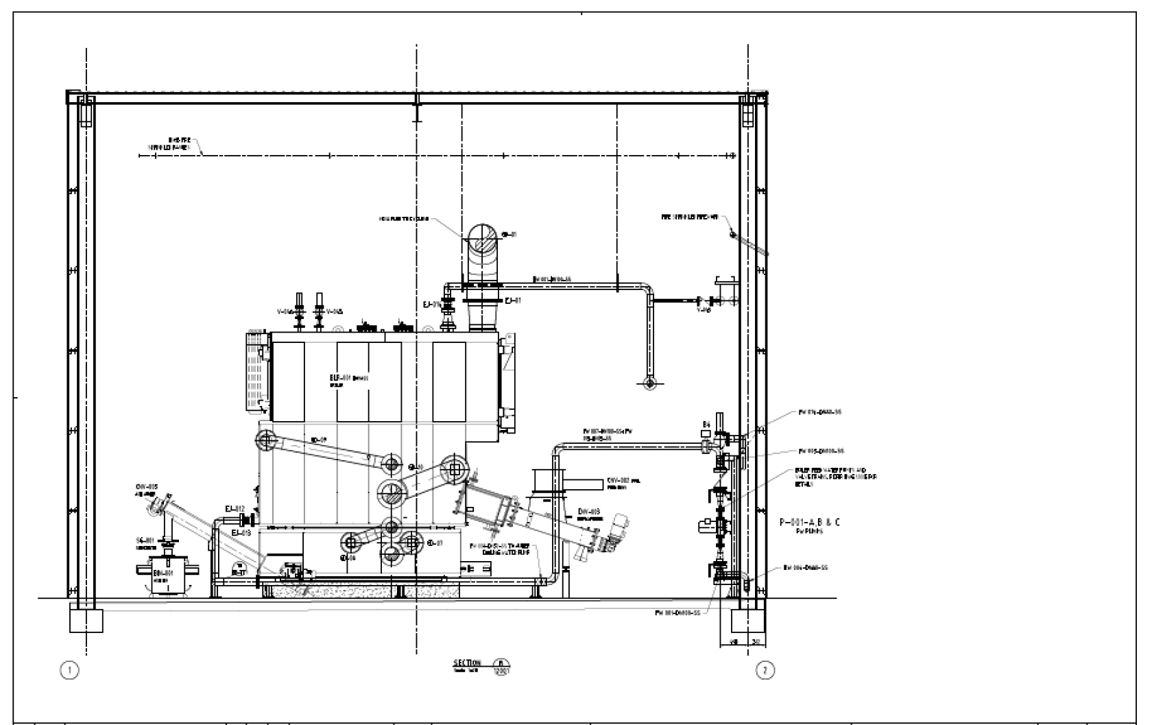
An example of Uneek Energy’s capabilities is illustrated by the turnkey construction of a 2MW Biomass Energy project for a client.
This system is used to dry timber and heat treat pallets, crates and cases to ISPM-15 phytosanitary standards for overseas export. These are Australia's only bioenergy powered heat-treatment kilns. The Client switched from LPG gas to renewable woodchip, sourced from shredding waste timber packaging and recycled pallets. The Biomass Boiler supplies hot water to an insulated structure where heated air heats & cures timber pallets to meet strict AQIS requirements for the export market
Uneek Energy took full responsibility for the following in a turnkey arrangement with the client, encompassing:
Plant layout design & detail
Civil design of foundations
Bulk earthworks design & site works
Design, supply & install all utilities to energy island
Structural steel design, fabrication & erection
Design, fabrication & installation of heat storage tank
Electrical design & installation of
power supply to energy island,
internal distribution & supply to all consumers
Instrumentation supply & installation
Design, supply & install PLC for control of all equipment including integration with vendor supplied PLC for 1 button operation
All piping including detailing, supply, fabrication & installation of
Feed system including FW pumps & lines
Supply lines to heat storage tank
Return lines from heat storage tank to feed pumps
Installation of all vendor-supplied equipment (boiler, fans, baghouse, feeders etc)
Design, fabrication & installation of exhaust stacks
Insulation & cladding of all hot surfaces including piping, ducting, tanks etc
Design, supply, install & commission fire detection & suppression system
Pre-commissioning and commissioning of total plant.
Welding of all piping systems, ranging in size from 15NB to 150NB






